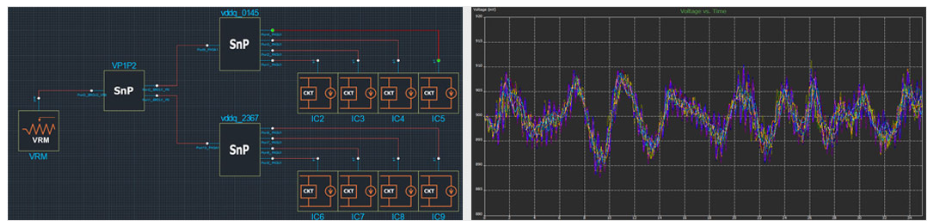
Sigrity X SystemPI 与 Celsius Studio 相集成,能够快速实现多板或多结构电源分配网络(PDN)拓 扑,并从电源源头到负载终端进行早期电源完整性分析。其灵活的拓扑环境支持假设分析场景,且可无缝替换电源分配网 络(PDN)模型,从而高效优化性能并排查设计问题。
✓ 采用与基于布局分析工具中相同的、经行业验证的 Sigrity X 电源完整性引擎。
✓ 与通过 Sigrity X PowerSI(电源信号完整性分析工具)、Cadence Clarity Studio 以及其他互连建模工具提取的 电源分配网络(PDN)模型兼容。
✓ 支持生成芯片模型,或使用通过 Cadence Voltus IC 电源完整性解决方案创建的芯片模型。
✓ 高度自动化的测量与报告生成功能。



